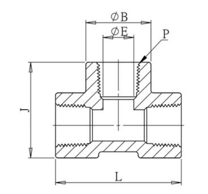
A high-pressure 3M threaded tee is primarily used to direct the flow of fluid. It is forged from round bar stock and then produced using lathes, allowing it to withstand a working pressure of 3000 psi. There are three female ports.
Features
- Leak Free Design. 
- Fast and Easy Installation. 
- Space-saving. 
- Material: SUS304, SUS316, Corrosive resistance 
 
                         
         
         
         
            