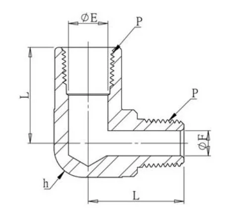
Pipe fittings and street elbows are commonly used to connect outlets in water supply, gas, liquid, and sewer systems. It also permits the fluid to shift its flow direction to 90°. Street Elbows are comprised of stainless steel forgings. Stainless steel is resistant to rust, corrosion, and high temperatures. The male-to-female thread elbow has a 90-degree form.
Features
- Leak Free Design. 
- Fast and Easy Installation. 
- Space-saving. 
- Material: SUS304, SUS316, Corrosive resistance 
 
                         
         
         
         
            